
Material: Body: Carbon Steel , Pin: Alloy Steel

Finishing: Hot Dip Galvanized

Heat treated: Tempered and Quenched

Minimun Utimate Strength: 6 Times The Working Load Limit.

Packing: Gunny Bag
|
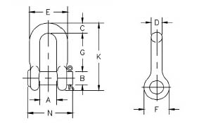
NominalSize(in.) |
WorkingLoadLimit(t)* |
WeightEach(lbs.) |
Dimensions (in.) |
Tolerance+/- |
|
A |
B |
C |
D |
E |
F |
G |
K |
N |
G |
A |
|
|
1/4 |
1/2 |
.10 |
.47 |
.31 |
.25 |
.25 |
.97 |
.62 |
.91 |
1.59 |
1.34 |
.06 |
.06 |
|
|
5/16 |
3/4 |
.18 |
.53 |
.38 |
.31 |
.31 |
1.15 |
.75 |
1.07 |
1.91 |
1.63 |
.06 |
.06 |
|
|
3/8 |
1 |
.25 |
.66 |
.44 |
.38 |
.38 |
1.42 |
.92 |
1.28 |
2.31 |
1.86 |
.13 |
.06 |
|
|
7/16 |
1-1/2 |
.40 |
.75 |
.50 |
.44 |
.44 |
1.63 |
1.06 |
1.44 |
2.67 |
2.13 |
.13 |
.06 |
|
|
1/2 |
2 |
.50 |
.81 |
.63 |
.50 |
.50 |
1.81 |
1.18 |
1.66 |
3.03 |
2.38 |
.13 |
.06 |
|
|
5/8 |
3-1/4 |
1.21 |
1.06 |
.75 |
.63 |
.63 |
2.32 |
1.50 |
2.04 |
3.76 |
2.91 |
.13 |
.06 |
|
|
3/4 |
4-3/4 |
2.00 |
1.25 |
.88 |
.81 |
.75 |
2.75 |
1.81 |
2.40 |
4.53 |
3.44 |
.25 |
.06 |
|
|
7/8 |
6-1/2 |
3.28 |
1.44 |
1.00 |
.97 |
.88 |
3.20 |
2.10 |
2.86 |
5.33 |
3.81 |
.25 |
.06 |
|
|
1 |
8-1/2 |
4.75 |
1.69 |
1.13 |
1.00 |
1.00 |
3.69 |
2.38 |
3.24 |
5.94 |
4.53 |
.25 |
.06 |
|
|
1-1/8 |
9-1/2 |
6.30 |
1.81 |
1.25 |
1.25 |
1.13 |
4.07 |
2.68 |
3.61 |
6.78 |
5.13 |
.25 |
.06 |
|
|
1-1/4 |
12 |
9.00 |
2.03 |
1.38 |
1.38 |
1.25 |
4.53 |
3.00 |
3.97 |
7.50 |
5.50 |
.25 |
.13 |
|
|
1-3/8 |
13-1/2 |
12.00 |
2.25 |
1.50 |
1.50 |
1.38 |
5.01 |
3.31 |
4.43 |
8.28 |
6.13 |
.25 |
.13 |
|
|
1-1/2 |
17 |
16.15 |
2.38 |
1.63 |
1.62 |
1.50 |
5.38 |
3.62 |
4.87 |
9.05 |
6.50 |
.25 |
.13 |
|
|
1-3/4 |
25 |
29.96 |
2.88 |
2.00 |
2.12 |
1.75 |
6.38 |
4.19 |
5.82 |
10.97 |
7.75 |
.25 |
.13 |
|
|
2 |
35 |
43.25 |
3.25 |
2.25 |
2.36 |
2.10 |
7.25 |
5.00 |
6.82 |
12.74 |
8.75 |
.25 |
.13 |