PRODUCT
LIST |
| |
Products
search |
| |
|
|
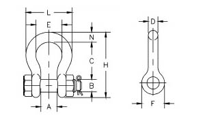
| Shackle >> Bolt Type Safety Pin G-2130 |
Browse: 1143 |


Material: Body: Carbon Steel , Pin: Alloy Steel
Finishing: Hot Dip Galvanized
Heat treated: Tempered and Quenched
Minimun Utimate Strength: 6 Times The Working Load Limit.
Packing: Gunny Bag
|
ITEM
NO. |
Nominal Size (in.) |
Working Load Limit (t)* |
Weight Each (lbs.) |
Dimensions (in.) |
Tolerance +/- |
|
A |
B |
C |
D |
E |
F |
H |
L |
N |
C |
A |
|
100051 |
3/16 |
1/3 |
.06 |
.38 |
.25 |
.88 |
.19 |
.60 |
.56 |
1.47 |
.98 |
.19 |
.06 |
.06 |
|
100052 |
1/4 |
1/2 |
.11 |
.47 |
.31 |
1.13 |
.25 |
.78 |
.61 |
1.84 |
1.28 |
.25 |
.06 |
.06 |
|
100053 |
5/16 |
3/4 |
.22 |
.53 |
.38 |
1.22 |
.31 |
.84 |
.75 |
2.09 |
1.47 |
.31 |
.06 |
.06 |
|
100054 |
3/8 |
1 |
.33 |
.66 |
.44 |
1.44 |
.38 |
1.03 |
.91 |
2.49 |
1.78 |
.38 |
.13 |
.06 |
|
100055 |
7/16 |
1-1/2 |
.49 |
.75 |
.50 |
1.69 |
.44 |
1.16 |
1.06 |
2.91 |
2.03 |
.44 |
.13 |
.06 |
|
100056 |
1/2 |
2 |
.79 |
.81 |
.64 |
1.88 |
.50 |
1.31 |
1.19 |
3.28 |
2.31 |
.50 |
.13 |
.06 |
|
100057 |
5/8 |
3-1/4 |
1.68 |
1.06 |
.77 |
2.38 |
.63 |
1.69 |
1.50 |
4.19 |
2.94 |
.69 |
.13 |
.06 |
|
100058 |
3/4 |
4-3/4 |
2.72 |
1.25 |
.89 |
2.81 |
.75 |
2.00 |
1.81 |
4.97 |
3.50 |
.81 |
.25 |
.06 |
|
100059 |
7/8 |
6-1/2 |
3.95 |
1.44 |
1.02 |
3.31 |
.88 |
2.28 |
2.09 |
5.83 |
4.03 |
.97 |
.25 |
.06 |
|
100060 |
1 |
8-1/2 |
5.66 |
1.69 |
1.15 |
3.75 |
1.00 |
2.69 |
2.38 |
6.56 |
4.69 |
1.06 |
.25 |
.06 |
|
100061 |
1-1/8 |
9-1/2 |
8.27 |
1.81 |
1.25 |
4.25 |
1.13 |
2.91 |
2.69 |
7.47 |
5.16 |
1.25 |
.25 |
.06 |
|
100062 |
1-1/4 |
12 |
11.71 |
2.03 |
1.40 |
4.69 |
1.29 |
3.25 |
3.00 |
8.25 |
5.75 |
1.38 |
.25 |
.06 |
|
100063 |
1-3/8 |
13-1/2 |
15.83 |
2.25 |
1.53 |
5.25 |
1.42 |
3.63 |
3.31 |
9.16 |
6.38 |
1.50 |
.25 |
.13 |
|
100064 |
1-1/2 |
17 |
20.80 |
2.38 |
1.66 |
5.75 |
1.53 |
3.88 |
3.63 |
10.00 |
6.88 |
1.62 |
.25 |
.13 |
|
100065 |
1-3/4 |
25 |
33.91 |
2.88 |
2.04 |
7.00 |
1.84 |
5.00 |
4.19 |
12.34 |
8.80 |
2.25 |
.25 |
.13 |
|
100066 |
2 |
35 |
52.25 |
3.25 |
2.30 |
7.75 |
2.08 |
5.75 |
4.81 |
13.68 |
10.15 |
2.40 |
.25 |
.13 |
|
100067 |
2-1/2 |
55 |
98.25 |
4.13 |
2.80 |
10.50 |
2.71 |
7.25 |
5.69 |
17.90 |
12.75 |
3.13 |
.25 |
.25 |
|
100068 |
3 |
?85 |
154.00 |
5.00 |
3.30 |
13.00 |
3.12 |
7.88 |
6.50 |
21.50 |
14.62 |
3.62 |
.25 |
.25 |
|
100069 |
3-1/2 |
265.00 |
5.25 |
3.76 |
14.63 |
3.62 |
9.00 |
8.00 |
24.88 |
17.02 |
4.38 |
.25 |
.25 |
|
100070 |
4 |
338.00 |
5.50 |
4.26 |
14.50 |
4.00 |
10.00 |
9.00 |
25.68 |
18.00 |
4.56 |
.25 |
.25 | |
| |