PRODUCT LIST  
Link fittings(1)
Link fittings(2)
Suspension clamp
Strain clamp
Poleline Hardwares
Cable fittings
Terminal clamp
Copper to aluminium adapter board
T-connector
Splicing fittings
Power station fittings
Shackle
Hooks
Turnbuckle
Thimble
Wire Rope Clip
Chain Swivels Eye bolt eye nut
Load Binder
Insulator
Steel Tower
Safety products
welding wire
  Products search  
 
    
 Shackle >> Grade S Bow Shackle Browse: 1358
 

editor/UploadFile/2011516193717537.jpgMaterial: Body: Carbon Steel , Pin: Alloy Steel
editor/UploadFile/2011516193717537.jpgFinishing: Hot Dip Galvanized
editor/UploadFile/2011516193717537.jpgHeat treated: Tempered and Quenched
editor/UploadFile/2011516193717537.jpgMinimun Utimate Strength: 6 Times The Working Load Limit.
editor/UploadFile/2011516193717537.jpgPacking: Gunny Bag
 
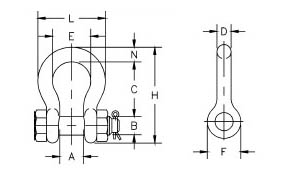
ITEM
 NO.
Nominal
Size
(in.)
Working
Load
Limit
(t)*
Stock No.
Weight
Each
(lbs.)
Dimensions (in.)
Tolerance
+/-
A
B
C
D
E
F
H
L
N
C
A
 100551
3/16
1/3
1019464
.06
.38
.25
.88
.19
.60
.56
1.47
.98
.19
.06
.06
 100552
1/4
1/2
1019466
.11
.47
.31
1.13
.25
.78
.61
1.84
1.28
.25
.06
.06
 100553
5/16
3/4
1019468
.22
.53
.38
1.22
.31
.84
.75
2.09
1.47
.31
.06
.06
 100554
3/8
1
1019470
.33
.66
.44
1.44
.38
1.03
.91
2.49
1.78
.38
.13
.06
 100555
7/16
1-1/2
1019471
.49
.75
.50
1.69
.44
1.16
1.06
2.91
2.03
.44
.13
.06
 100556
1/2
2
1019472
.79
.81
.64
1.88
.50
1.31
1.19
3.28
2.31
.50
.13
.06
 100557
5/8
3-1/4
1019490
1.68
1.06
.77
2.38
.63
1.69
1.50
4.19
2.94
.69
.13
.06
 100558
3/4
4-3/4
1019515
2.72
1.25
.89
2.81
.75
2.00
1.81
4.97
3.50
.81
.25
.06
 100559
7/8
6-1/2
1019533
3.95
1.44
1.02
3.31
.88
2.28
2.09
5.83
4.03
.97
.25
.06
 100560
1
8-1/2
1019551
5.66
1.69
1.15
3.75
1.00
2.69
2.38
6.56
4.69
1.06
.25
.06
 100561
1-1/8
9-1/2
1019579
8.27
1.81
1.25
4.25
1.13
2.91
2.69
7.47
5.16
1.25
.25
.06
 100562
1-1/4
12
1019597
11.71
2.03
1.40
4.69
1.29
3.25
3.00
8.25
5.75
1.38
.25
.06
 100563
1-3/8
13-1/2
1019613
15.83
2.25
1.53
5.25
1.42
3.63
3.31
9.16
6.38
1.50
.25
.13
 100564
1-1/2
17
1019631
20.80
2.38
1.66
5.75
1.53
3.88
3.63
10.00
6.88
1.62
.25
.13
 100565
1-3/4
25
1019659
33.91
2.88
2.04
7.00
1.84
5.00
4.19
12.34
8.80
2.25
.25
.13
 100566
2
35
1019677
52.25
3.25
2.30
7.75
2.08
5.75
4.81
13.68
10.15
2.40
.25
.13
 100567
2-1/2
55
1019695
98.25
4.13
2.80
10.50
2.71
7.25
5.69
17.90
12.75
3.13
.25
.25
 100568
3
?85
1019711
154.00
5.00
3.30
13.00
3.12
7.88
6.50
21.50
14.62
3.62
.25
.25
 100569
3-1/2
1019739
265.00
5.25
3.76
14.63
3.62
9.00
8.00
24.88
17.02
4.38
.25
.25
 100570
4
1019757
338.00
5.50
4.26
14.50
4.00
10.00
9.00
25.68
18.00
4.56
.25
.25

Home | About Us | Products | Certificate | Order | News | Contact Us |
Copyright © 2012 COWIN ELECTRICAL Co., Ltd All Rights Reserved