PRODUCT
LIST |
| |
Products
search |
| |
|
|
| Shackle >> Grade S Dee Shackle |
Browse: 3637 |


Material: Body: Carbon Steel , Pin: Alloy Steel
Finishing: Hot Dip Galvanized
Heat treated: Tempered and Quenched
Minimun Utimate Strength: 6 Times The Working Load Limit.
Packing: Gunny Bag
|
ITEM
NO. |
Nominal
Size
(in.) |
Working
Load
Limit
(t)* |
Weight
Each(lbs.) |
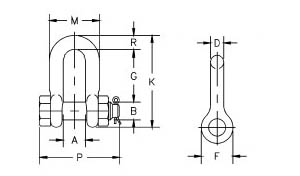
Dimensions (in.) |
Tolerance+/- |
|
A |
B |
D |
F |
G |
K |
M |
P |
R |
G |
A |
|
100581 |
1/4 |
1/2 |
.13 |
.47 |
.31 |
.25 |
.62 |
.91 |
1.59 |
.97 |
1.56 |
.25 |
.06 |
.06 |
|
100582 |
5/16 |
3/4 |
.23 |
.53 |
.38 |
.31 |
.75 |
1.07 |
1.91 |
1.15 |
1.82 |
.31 |
.06 |
.06 |
|
100583 |
3/8 |
1 |
.33 |
.66 |
.44 |
.38 |
.92 |
1.28 |
2.31 |
1.42 |
2.17 |
.38 |
.13 |
.06 |
|
100584 |
7/16 |
1-1/2 |
.49 |
.75 |
.50 |
.44 |
1.06 |
1.48 |
2.67 |
1.63 |
2.51 |
.44 |
.13 |
.06 |
|
100585 |
1/2 |
2 |
.75 |
.81 |
.64 |
.50 |
1.18 |
1.66 |
3.03 |
1.81 |
2.80 |
.50 |
.13 |
.06 |
|
100586 |
5/8 |
3-1/4 |
1.47 |
1.06 |
.77 |
.63 |
1.50 |
2.04 |
3.76 |
2.32 |
3.56 |
.63 |
.13 |
.06 |
|
100587 |
3/4 |
4-3/4 |
2.52 |
1.25 |
.89 |
.75 |
1.81 |
2.40 |
4.53 |
2.75 |
4.15 |
.81 |
.25 |
.06 |
|
100588 |
7/8 |
6-1/2 |
3.85 |
1.44 |
1.02 |
.88 |
2.10 |
2.86 |
5.33 |
3.20 |
4.82 |
.97 |
.25 |
.06 |
|
100589 |
1 |
8-1/2 |
5.55 |
1.69 |
1.15 |
1.00 |
2.38 |
3.24 |
5.94 |
3.69 |
5.39 |
1.00 |
.25 |
.06 |
|
100590 |
1-1/8 |
9-1/2 |
7.60 |
1.81 |
1.25 |
1.13 |
2.68 |
3.61 |
6.78 |
4.07 |
5.90 |
1.25 |
.25 |
.06 |
|
100591 |
1-1/4 |
12 |
10.81 |
2.03 |
1.40 |
1.25 |
3.00 |
3.97 |
7.50 |
4.53 |
6.69 |
1.38 |
.25 |
.06 |
|
100592 |
1-3/8 |
13-1/2 |
13.75 |
2.25 |
1.53 |
1.38 |
3.31 |
4.43 |
8.28 |
5.01 |
7.21 |
1.50 |
.25 |
.13 |
|
100593 |
1-1/2 |
17 |
18.50 |
2.38 |
1.66 |
1.50 |
3.62 |
4.87 |
9.05 |
5.38 |
7.73 |
1.62 |
.25 |
.13 |
|
100594 |
1-3/4 |
25 |
31.40 |
2.88 |
2.04 |
1.75 |
4.19 |
5.82 |
10.97 |
6.38 |
9.33 |
2.12 |
.25 |
.13 |
|
100595 |
2 |
35 |
46.75 |
3.25 |
2.30 |
2.10 |
5.00 |
6.82 |
12.74 |
7.25 |
10.41 |
2.36 |
.25 |
.13 |
|
100596 |
2-1/2 |
55 |
85.00 |
4.12 |
2.80 |
2.63 |
5.68 |
8.07 |
14.85 |
9.38 |
13.58 |
2.63 |
.25 |
.25 |
|
100597 |
3 |
85 |
124.25 |
5.00 |
3.25 |
3.00 |
6.50 |
8.56 |
16.87 |
11.00 |
15.13 |
3.50 |
.25 |
.25 | |
| |